Загрязнители электропитания или найти и обезвредить сруля

Толку от него ноль. У меня лично портил звук даже мимо выделенки. Но самый лучший способ, убедиться лично)

А что не портило?

1 лайк

РТ не портил, реген не портил

У меня с двумя такими фильтрами звук становился немного хуже. Это было установлено “на слух”, в результате чего от них отказался.
А через 2 года появился обсуждаемый ЕМИ-метр, который показал, что с включением этих фильтров уровень помех в линии возрастал. То есть приборчик подтвердил циферками то, о чём ранее “высказались уши”.

При обсуждении сего чуда в на соседнем форуме - оказалось, что это скорее правило для таких фильтров.

2 лайка

Продолжу про устройства, с которыми не грешно входить в персональные удифильские святилища . :grinning:
Недавно пришлось увеличить домашний парк компов. Во избежании неприятностей понадобился очередной ИБП. Набивши ранее шишки с бюджетными линейно-интерактивными ИБП я сразу пошел другим путём. Только бэк и желательно брендовый. Был добыт в меру старенький Back-UPS CS 650 от APC.

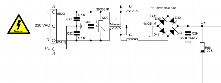
Судя по схеме на входе имееттся ЭМИ фильтр.

Без фанатизма, но лучше чем у бюджетных китайцев.
ИБП был вскрыт и проверен на предмет наличия обещанного.

Не обманули. Всё в наличии.
К сожалению, ЭМИ-метра сейчас нет и проверить эффективность фильтра не представляется возможным. Но пока есть сомнения, что в линию питания ИБП целесообразно ставить ещё один фильтр.

В целом, имхо, такую штуку вполне можно использовать в жилище удифила.

Во избежании ненужных вопросов от тех, кто не смог осилить всё тему, сразу даю ненужные ответы:

  1. ИБП не имеет никакого отношения к питанию аудиосистемы
  2. Эффект от включения одного компа я не слышу. :grinning:

Всем соблюдения ЭМП-гигиены :mask:

P.S. За более современную модель чёрного цвета “by Schneider Electric” ничего сказать не могу. Но с учётом того, что новая существенно дешевле, “смутные сомнения терзают мою душу”.

5 лайков

Как работает БРГ, в целом? Чтобы исключить вред от NAS, роутера на грязном берегу, достаточно ли их “развязать” по сети с помощью БРГ? Нужен ли в таком случае ЛБП, например, на роутер?

1 лайк

Все что подключено в сеть влияет на неё…
А уж ЛБП это будет или ИБП, через РТ или фильтры или вообще без всего, решать по итогам прослушки.
Это мое мнение, тк на разных стадиях развития системы пользовался разными подходами. Сейчас использую кастомные ЛБП, которые подключены просто в сеть

Исключить невозможно, это просто нужно запомнить.
Уменьшить можно.

РТ разных конструкций, например, тороидальный и на Ш-сердечнике, или при наличии межобмоточного экрана и при его отсутствии, делают это по-разному.
Эффективнее РТ с экраном на “железе” Ш-типа.
Или с секционированными обмотками, не намотанными друг над другом.

Чтобы снизить взаимодействие устройств по питанию, РТ нужно ставить на каждое.
Устройство в отрыве от своего БП не рассматривается.

1 лайк

А от обычного тора в качестве БГР чего стоит ожидать? Куда его лучше пристроить - на грязный берег, на чистый?

В какой-то мере уменьшения помех и в какой-то же мере разрыва петли по питанию… благодаря гальванической изоляции, если это не автотрансформатор, конечно, который ничего из этого не умеет.
Польза от замены ИБП на ЛБП в первую очередь определяется именно наличием трансформатора в ЛБП.

Понижающий РТ любого типа лучше РТ 1:1, поэтому если БП переключается на 100-120 вольт или просто мультивольтажный, то надо использовать именно понижающий РТ.

Последовательно везде дня на три подключить в каждом месте и оставить там, где больше понравится.
Никаких сравнений НЕ проводить, просто подключить и слушать, как и обычно.

1 лайк

Имея в наличие как UPS, так и китай-шaйтан-измеритель, провел небольшой разоблачающий тестик, проверял на обeих моделях: 325 и 500.

Наличие фильтра на входе, как оказалось, не гарантирует хороший результат на выходе. Никакого положительного результата замечено не было. Через UPS, также как и напрямую в сеть - было намерено порядка 1640-1670 мВ.

И только при отключении UPS от сети (то есть работа нa встроенном аккумуляторе) было замерено примерно 130 мВ без нагрузки и 507 мВ под нагрузкой. Нагрузкой служила лампа на своем ИБП.



Иными словами, как резервное питание - работает, а в качестве чистильшика сети - нет, то есть для аудио - бесполезно.

1 лайк

А можно поподробнее, что и как измеряли?
Ибо из Ваших объяснений я ничего не понял.

При подключении через UPS и напрямую (от розетки) замеры показали одинаковые результаты.

При отключении от сети - питание намного чище, тaк как отвязано от нее и работает только от батареи (аккамулятора). То есть - эти UPS нельзя использовать в качестве сетевого фильтра.

Надеюсь сейчас понятнее. Как бесперебойник - гуд! Как сетевой фильтр - ноу гуд!

Правда, от батареи - просадка (185В), тогда как в розетке 234В. Грешу на то, что давно аккум не подзаряжался.

Теперь понял. Но Вы измеряли “в другую сторону” :grinning:
Я ни в коем случае не предлагаю использовать UPS как фильтр для питания аудиосистемы. В моём посте речь шла совсем о другом:

  1. О том что UPS (плохой) является САМ источником помех в сеть. Или не является (условно хороший). Про плохой было как раз в первом посте темы.
  2. О том, что этот UPS потенциально может быть фильтром, ограждающим сеть от помех устройств к нему подключенных. Проверить не могу. Это гипотеза, ибо сейчас у меня прибора нет.

Тут нужно измерить немного по-другому. Но у Вас, к сожалению, настолько большой уровень помех в сети (раза в три превышающий уровень шума от “среднего” компа), что измерения провести не возможно. Нужно, чтобы шум в сети был существенно меньше шума шумного потребителя (например компа). И чтобы шум в сети был существенно меньше шума UPS. В общем нужно, чтобы в сети было не более 200-300 мВ.

Напрямую в сеть это при включенных паралельно в нее УПСах? Если да, то что в сети при полностью выключенных из сети бесперебойниках?

Я тут подумал, что можно попробовать измерить “естественный фон” поздно ночью, полностью отключив все электроприборы в квартире. Есть шанс что уровень помех окажется существенно меньше и тогда можно будет сделать более интересные измерения. Ну если, конечно, есть желание так заморачиваться. :grinning:

Доброго времени суток. Да, ваши замеры в дневное время суток и в ночное были бы интересны.
Заметил, что ночью, примерно с 01.00 по МСК компьютер работает по-другому, цвета на мониторе чуть ярче и задержка системы ниже. Значит определенно ночью меньше шумов в сети, которые негативно влияют на чувствительные электроприборы.

Нет, я же даже картинку выставил, на которой видно, что UPS отключен от сети. Провод, идущий от розетки, чтобы было понятно, выдернут. Второй UPS был тоже отключен. Хотите, могу попробовать подключить оба в удлинитель и сделать замер в разрез между розеткой и Упсами. Хотя врядли что-то толковое получится, так как на работе уровень шумов в сети запредельный (куча измерительных приборов/испытательных стендов/промоборудования отовсюду шумят :slight_smile:

Нереально даже в доме ночью. Ниже 200 можно только после сетевого фильтра, который на основной аудиосистеме…

Меряет он-таки в “попугаях”…

Реально, вот человек приобрел тороидальный балансный разделительный трансформатор и сделал замеры до включения трансформатора и после.