Пассивный релейный аттенюатор

Не совсем понятно, откуда такое категоричное заявление взялось. К примеру, мне нужен резистор с точным значением сопротивления 85,6 кОм. Вот все резисторы удалось найти от одного производителя, а вот именно такого нет. И что делать? Запрещено поставить резистор нужного номинала другого производителя? Для меня таких запретов нет.

У меня вперемешку ничего не стоит. У меня каждый резистор вручную подобран из десятка резисторов с начальной точностью в 1%. Иначе обеспечить сходимость каналов не получится.

6 лайков

Ян,

А уточните, при любом положении РГ сигнал идет только через 1 резистор или по цепочке через несколько согласно уровню?

Сигнал идет через каждую ступень “лестницы”. В каких-то положениях это может быть и один резистор. В других нет. Принципиальная схема была представлена здесь.

1 лайк

Это из опыта взялось. Вы же проектируете устройство для аудио, а здесь каждый штрих важен. Иначе например, для чего бы Максиму надо было ставить один тип резисторов от Susumi?

Важен не штрих,а конечный результат

2 лайка

Вопрос риторический и его вполне можно было бы оставить без ответа. Но я люблю поболтать, когда на это есть время.
Я в большей степени инженер, нежели аудиофил или меломан. Да, я люблю музыку. Но я стараюсь не переходить грань безумия и во всем искать здравый смысл. Отвечая на Ваш вопрос - я думаю, что на тот момент Максиму было удобно приобрести резисторы одной партии и сделать свой проект. Я немного знаю Максима и почти уверен, что если бы у него не было бы возможности купить Susumi нужного номинала, то это не остановило бы весь проект или не привело бы к поиску новой партии резисторов от другого производителя. Он просто заменил бы его другим. Я могу ошибаться (не настаиваю). Возможно, я плохо разбираюсь в качественной музыке, но я не готов принять тот факт, что применение качественного резистора другого производителя в общей матрице аттенюатора приводит к каким-то изменениям, которые кто-то готов оценить на слух или диагностировать любым доступным в 21 веке способом. Возможно, это “не по феншную”, зато это правда и реалии мира в котором мы живем. Раз и закончились нужные детальки! Но на этом не заканчивается возможность создавать проекты, отвечающие высоким техническим стандартам.
К примеру, можно тупо обмануть и нет никакой технической возможности понять, что за резисторы там стоят. Но это не мой путь - меня спросили, я не буду юлить. Я предлагаю свои изделия с открытым забралом и потенциальный пользователь всегда может узнать о них расширенную информацию. Принимать это или искать совершенство или жить в вере и неведении того, что внутри - выбор каждого из нас.

19 лайков

Кстати Ян, на такой плате можно было бы заморочиться с качественными резисторами, например vishay dale или draloric,
цена конечно возрастёт, но когда это останавливало))

1 лайк

Да без проблем! Я только за!

Тут важно понимать и различать следующие моменты.

  1. Качественный резистор - это резистор, изготовленный по правильной технологии, с применением качественных материалов и так далее (не будем углубляться в подробности). Но качественный не значит точный. Найти много качественных резисторов - это в какой-то степени проблема.
  2. Точный резистор - это резистор с определенным классом точности, сопротивление которого укладывается в заявленный диапазон погрешности, обычно 0,5-1% или лучше. Все что выше - это уже резисторы обычного исполнения. Найти много точных резисторов - это тоже проблема.
  3. Качественный точный резистор - это уже большая проблема. Найти подобные в нужном количестве практически невозможно, поэтому в моем проекте эта задача решается путем сборки из нескольких качественных, но отобранных вручную резисторов.
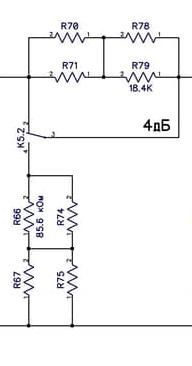
    На фото пример. По факту нужно два резистора: 18.4К и 85.6К.
    Важны как точные значения, так и одинаковость плеч для левого и правого канала.
    8dba1736eb4117e5e005f26a2f028e60fef896aa
    Если не можете найти точный 18.4К - то можно найти качественные 16К и 2.4К, которые в сумме дадут 18.4К.
    Если не можете найти точный 85.6К - то можно найти качественные 82К и 3.6К, которые в сумме дадут 85.6К.
    Таким образом мы большую проблему заменяем на маленькую, но вынуждены покупать бОльшее количество резисторов и делать их ручной отбор.
    Можно приблизительно посчитать.
    Резисторы Vishay Dale
    стоят в среднем 2 евро за штуку.
    На одну матрицу RCA исполнения нужно 60 резисторов. Это 120 евро.
    Сюда не входят резисторы, необходимые для подбора. Я бы выбрал коэффициент, как минимум 5. Чтобы можно было выбрать одну пару из 5 выборок. Умножаем еще на 5 получаем 600 евро. Ну еще надо накинуть на доставку. Но в целом, расчет цены на качественные резисторы весьма понятен.
8 лайков

vishay dale 1%
у vishay есть даже более точные, но я к сожалению забыл название, а искать сейчас нет времени,
а касательно цены, можно посмотреть на ценники аттенюаторов DACT

1 лайк

Есть резисторы - ТОЧНЫЕ а ещё есть ХОРОШО ЗВУЧАЩИЕ …

2 лайка

Ян,добрый день. Когда и какие будут новые устройства?

3 лайка

Добрый день.
Я стараюсь не афишировать ничего до момента появления на свет, но, раз поступил вопрос, то сейчас запущены в производство корпуса с учетом пожеланий на будущие проекты. Планируется изготовление лампового предусилителя, фонокорректора, с поддержкой XLR и прочих хотелок. Все управление энкодером и отображение на большом LCD дисплее 3.2 дюйма.
Передняя панель:


Задняя панель:

По вопросам сроков - ответа нет.

5 лайков

То есть, просто аттенюатора уже не будет?

Ну почему не будет. Будет, только немного в другом корпусе относительно того, что был. Если нужно, можно и предыдущую сборку повторить.

2 лайка

Ян, написал в личку, есть интерес

2 лайка

Здравствуйте, проект пока в заморозке?

1 лайк

Здравствуйте! В режиме ожидания. Под проект подготовлены корпуса. Как только завершу работу над фильтром сетевого питания - займусь этим проектом. На все сразу сил и времени, к сожалению, не хватает.

2 лайка

Релейный регулятор громкости для аудиоустройства. Альтернативная версия сборки.


При разработке релейного регулятора первой версии сборки я до конца сам не представлял, каким я вижу облик конечного продукта, и просто экспериментировал с различными вариантами внешнего оформления. Мне хотелось попробовать самому и показать читателям различные возможные способы отображения уровня громкости. Именно поэтому у устройства первой версии сборки уровень громкости отображался одновременно тремя различными способами:

  • ЖК-индикатор отображал уровень громкости графически и в числовом виде;

  • круговая светодиодная шкала могла отображать уровень громкости как в виде точки, так и в виде наполняющейся шкалы.

На мой вкус прослеживается явный перебор с выводимой на обозрение пользователя информацией и мне захотелось сделать подобное устройство более сдержанным во внешнем оформлении. В новой версии сборки я решил отказаться от ЖК-индикатора, а круговую светодиодную шкалу спрятать за декоративной деревянной фальшпанелью, выполненной из массива дуба.

Устройство разработано в первую очередь для схем включения, где не предусмотрен встроенный регулятор громкости (например, CD-проигрыватель, выход которого подключен на ламповые моноблоки). Аттенюатор имеет высокую точность согласования каналов, обеспечивает нейтральность звучания за счет применения высококачественных резисторов и сигнальных реле.
Внешний вид устройства представлен на фото ниже.

Управление устройством осуществляется с помощью многофункциональной ручки-регулятора (энкодера).
Ручка-регулятор цельнометаллическая алюминиевая с черным анодированным покрытием. Без метки, так как это противоречит концепции отображения регулируемого параметра с помощью индикаторной точки или круговой светодиодной шкалы.

Функции управления устройством:
• вращение ручки-регулятора влево/вправо – уменьшение/увеличение уровня громкости соответственно.
Благодаря применению высококачественного энкодера ручка-регулятор вращается легко и не имеет явно выраженных люфтов на валу. В процессе вращения ручки-регулятора слышен характерный легкий “цокот” переключения сигнальных поляризованных реле внутри корпуса устройства.
Индикаторная точка или круговая светодиодная шкала (в зависимости от запрограммированного способа отображения параметра) отображают уровень громкости пропорционально установленному уровню аттенюации.

• короткое нажатие ручки-регулятора – включение режима «MUTE», аттенюатор переходит в режим ослабления уровня громкости до установленного значения «-69 дБ», если требуется другой уровень ослабления – параметр может быть изменен по желанию Заказчика, повторное короткое нажатие ручки-регулятора возвращает прежний уровень громкости. Если пользователем выбран режим отображения уровня громкости с помощью круговой светодиодной шкалы - режим “MUTE” отображается красной светодиодной шкалой, пропорциональной уровню ослабления сигнала “-69 дБ”.

Режим “MUTE” всегда отображается красным цветом!

Если пользователем выбран режим отображения уровня громкости с помощью индикаторной точки - режим “MUTE” отображается красной индикаторной точкой.

• двойное короткое нажатие ручки-регулятора – изменение типа отображения круговой светодиодной шкалы (индикаторная точка или заполняющаяся шкала). Я решил временно отказаться от этой функции. Она существует, она запрограммирована, но работает не всегда стабильно. Двойное короткое нажатие - понятие растяжимое… Как показала практика, не все пользователи могут одинаково стабильно нажимать кнопку двумя последовательными короткими нажатиями. Если не выдержаны временные интервалы в процессе нажатия кнопки - контроллер может путать двойное короткое нажатие с одинарным и вместо изменения режима отображения шкалы включать функцию “MUTE”. Это напрягает и снижает надежность управления устройством. Я пока отложил эту функцию до лучших времен, поэтому тип отображения круговой светодиодной шкалы жестко прописывается в прошивке контроллера. По умолчанию - заполняющаяся шкала.
длительное нажатие ручки-регулятора - изменение цвета свечения индикаторной точки или круговой светодиодной шкалы. Цвет свечения меняется произвольным образом. Выбор необходимого цвета осуществляется путем последовательного перебора цветов. Обычно для этого достаточно сделать до 10 итераций. Случайно создаваемые оттенки цвета бывают очень интересными в плане дизайна и сочетания с внешним интерьером.
Ниже представлены фотографии различных интересных цветовых решений.
Зеленая подсветка круговой светодиодной шкалы.

Красная подсветка круговой светодиодной шкалы.

Синяя подсветка круговой светодиодной шкалы.

Малиновая подсветка круговой светодиодной шкалы.

Янтарная/золотая подсветка круговой светодиодной шкалы.

Небесная подсветка круговой светодиодной шкалы.

Желто-зеленая подсветка круговой светодиодной шкалы.

Сиреневая подсветка круговой светодиодной шкалы.

Сохранение выбранных параметров в памяти устройства осуществляется автоматически спустя 10 секунд после последней активности пользователя. После выключения питания и последующего включения устройство включится с ранее сохраненными параметрами (уровень громкости, тип выбранной шкалы, цвет подсветки).

Технические характеристики релейного аттенюатора:

  • аттенюатор стереофонический для небалансного сигнала;
  • входное сопротивление – 50 кОм;
  • степень ослабления от 0 до 99 дБ с шагом 1 дБ;
  • максимальное рассогласование каналов не превышает 1 мВ относительно уровня входного сигнала 3 В (0,03%);
  • закон регулирования – логарифмический;
  • поляризованные сигнальные реле Fujitsu Components (серебряно-никелевые позолоченные контакты, Япония, оригинал);
  • количество входов/выходов – 1/1;
  • монтаж входных и выходных сигнальных цепей выполнен серебряным проводом с серебряной экранной оплеткой;
  • индикация реализована на 16-ти битном адресном кольце WS2812, позволяющем отображать более 16 млн. цветов и оттенков, до 255 градаций яркости;
  • все сигнальные цепи экранированы электростатическим экраном, на котором реализована схема развязки сигнального и защитного заземления.

Внешний вид и дизайн.
Цветовая палитра круговой шкалы может быть изменена по желанию Заказчика, цвет может быть выбран на постоянной основе без возможности дальнейшего изменения, также шкалу можно отключить совсем по вашему техническому заданию.
В качестве заключения.
Разрабатываемые устройства изготавливаются в штучном количестве и редко когда тиражируются партией более 10 шт., поэтому я в максимальной степени ориентирован под персональные пожелания Заказчиков. Продукция постоянно совершенствуется, в связи с чем я оставляю за собой право вносить любые изменения в продукции, не влияющие на основные технические характеристики и не ухудшающие их без предварительного уведомления.

Цена релейного аттенюатора 40 000 р.

Продажа ведется из города Саратова, доставка до покупателя осуществляется за его счет.

Выбор способа доставки и ТК по согласованию (обычно CDEK, BoxBerry, Почта России). На изделие предоставляется гарантия в течение 12 месяцев и также бесплатный возврат в течение 14 дней на случай, если покупателя что-то не устроило (можно без объяснения причин), в этом случае обратную доставку также оплачивает покупатель.

По представленному продукту есть подробный обзор, доступный по ссылке.

P.S. с завтрашнего дня я в недельном отпуске, поэтому могут быть задержки с ответами на сообщения.

6 лайков