Доступный и качественный сетевой фильтр / кондиционер / дистрибьютор. Собираем фильтр самостоятельно или дорабатываем готовый под свои требования и пожелания.

Не всякая техника с заземлением должна работать только с ним. Да без земли на корпусе потенциал будет, но какой там ток? Миллиамперы.
Ему некуда идти, но как это будет влиять на звук - вопрос.
У меня мощники с контактом заземления, но лучше играют без оного, а вот ав процессор тоже с контактом заземления, так он наоборот, без земли играет вяло.
Мне кажется вы путаете ситуацию отсутствия заземления в розетке, при которой потенциал на корпусе и ток могут бить, так как мы касаемся фазы на корпусе и ногами касаемся нейтрали, и ситуация с РТ, в которой мы касаемся одного контакта вторички РТ и ногами касаемся земли, с которой РТ не имеет связи.

В чем я с вами склонен согласиться, это в том, что в случае заземления средней точки РТ, предохранитель в подключенной технике к такому трансу расчитан на работу с напряжением 230 вольт, а при КЗ вторички РТ на землю, напряжение будет только 115вольт. Как тут поведет себя предохер - не знаю.

Ну как же не используют?
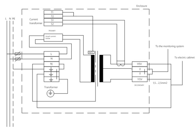
Посмотрите внимательно на схему выше.

Типовая схема выглядит так:

1 лайк

Предохранителю вообще все равно, какое там напряжение. Он одинаково сработает и на 115 и на 230В. Напряжение на предохранителе нормируют на пробой и на способность гасить дугу, которая возникает в момент разрыва плавкого элемента, а основной критерий - ток срабатывания. Учитывая, что сопротивление предохранителя пренебрежимо мало, то экстраток срабатывания предохранителя возникнет и при 115В и при 230В (скорость нарастания тока будет немного разная, но мы этого не заметим).

2 лайка

Вот не уверен что хочу. Столько всего в этой дискуссии перемешалось. Разных случаев, разных видов защит - УЗО предохранителей итд, типов устройств разных классов и требований, формальных и неформальных правил про заземление самого РТ, или его корпуса? Или его средней точки? Или его вторички? Или корпуса устройства, питающегося от его вторички?. Со средней точкой или без? Одного потребителя или несколько? Если обрыв, то где и какого провода на какой и на кого? Столько вариантов разных…

Я сам обычно рассматриваю (чтобы наверняка) с позиции «низкоуровневой» физики каждый случай. И последнее время по опыту реальных жилых домов, больше радею за устройства, способные быть и звучащими и безопасными без защитной земли. То есть моего личного внутреннего интереса копать эту тему на текущий момент нет.

2 лайка

ГОСТ 12.2.025-76
Система стандартов безопасности труда
ИЗДЕЛИЯ МЕДИЦИНСКОЙ ТЕХНИКИ
ЭЛЕКТРОБЕЗОПАСНОСТЬ

Выдержки из ГОСТа…
Для включения в сеть изделий класса III должен применяться разделяющий понижающий трансформатор с обмоткой низшего напряжения, изолированной от сетевой обмотки двойной или усиленной изоляцией, а от корпуса трансформатора и от земли не менее чем основной изоляцией. Переносный разделяющий понижающий трансформатор должен допускать включение только одного изделия.

Разделительный трансформатор Тр1 с регулируемым выходным напряжением, показанный на черт.1 и 2, может быть заменен разделительным трансформатором с постоянным выходным напряжением, питаемым от автотрансформатора. Вместо трансформатора Тр1 допускается применение автотрансформатора или непосредственное питание изделия от сети. В этих случаях должна быть использована трехфазная сеть с заземленной нейтралью (для изделий с однофазным питанием - фазное напряжение), а проверяемое изделие должно быть надежно изолировано от земли.

@yan у меня скорее такой вопрос к тебе. Я не изучал списки формальных требований и соответствующие официальные документы по медицинскому или там индустриальному или автомобильному классу безопасности для БП.

Импульсные медицинские БП с двойной изоляцией которую по англ называют “2x mopp” формально российскому ГОСТУ соответсвуют? Если да. Их тоже надо в рамках российских медицинских стандартов через РТ включать? Если к правилам из скриншота нет никаких оговорок, то получается к таким ИБП нужен РТ. Но это конечно не совсем логично если все так обстоит…

А все, вопрос снят. Это про класс 3 из ГОСТА. Уверен что класс 2 (медицинские ИБП) можно использовать ( с позиции формальностей а не фактов) без оговорок. Невнимательно читал.

Всего вообще 9 классов защиты… если это все пытаться рассмотреть в отдельности, то придется писать много текста и получится ПУЭ

Первый попавшийся мониторинг от GE:

— POWER SUPPLY — The device must be connected to a properly installed power outlet with protective earth contacts only. If the integrity of the protective earth conductor is in doubt, disconnect the monitor from the power line (and use it with the battery option (B650) if available). If the installation does not provide for a protective earth conductor, disconnect the monitor from the power line. All devices of a system must be connected to the same power supply circuit. Devices which are not connected to the same circuit must be electrically isolated when operated.

Очень мало вероятно чтобы у разделительных трансформаторов Torus Power были какие-либо ограничения на работу с устройствами 1 или 2 класса. Не знаю как в России, но в америке и Европе они наверняка сертифицированы.

Разделительный трансформатор “Штиль” ОСЗМ Р 220/220-1,6-50, 1600 ВА

Выдержка из Паспорта

"Назначение

Изделие (полное наименование ОСЗМ Р 230/230-1,6-50) представляет собой однофаз-
ный разделительный трансформатор в корпусе, предназначенный для электропитания приборов, инструментов, аппаратуры и устройств переменным током напряжением 230 (220) В, от стандартной электросети с напряжением 230 (220) В, при обеспечении гальванической развязки цепей питания нагрузки от электросети.

Основным назначением изделия является повышение уровня безопасности рабо-
тающих электрических приборов…"

Нет ни каких ограничений на работу с устройствами 1, 2 и иных классов.

Ссылка на Паспорт:

Данный текст, который Вы привели, свидетельствует лишь о том, что есть медицинское оборудование, которое требует наличия заземления. Вы найдите текст, в котором будет написано про использование разделительного трансформатора и последующего заземления нагрузки, подключенной к нему. Вот тогда и обсудим.

Правильно, ведь он ответ на ваше утверждение.


Выше я приводил схему первого попавшегося медицинского транса для развязки, на ней линию земли на нагрузку прекрасно видно.

Андрей, во-первых, мы не обсуждаем здесь как таковые разделительные трансформаторы. К ним то ни у кого вопросов нет. РТ разрешено заземлять, разрешено заземлять также межобмоточный экран. Нельзя заземлять нагрузку, которая подключена после РТ. Неужели это никому не очевидно? Тот факт, что производитель РТ установил на выходе розетку с клеммой заземления не означает, что клемма заземления подключена. А даже если подключена, то недобросовестных производителей у нас в стране пруд пруди. Даже заводы с многолетним стажем порой так чудят, что хоть стой, хоть падай.
Но в сети есть люди, которые знают, что заземлять нагрузку после РТ нельзя (и ПУЭ это тоже знают). Вы попробуйте погуглить, может быть чье-то объяснение зайдет лучше моего. В сети много таких.

transformator-510x401

Знаете откуда весь сыр бор и столько споров в этой теме? Просто почти все сделали себе зарубку, что РТ это благо и хай энд решение, но принципов обеспечения безопасности не удосужились изучить. А тут вдруг прилетело, что оказывается нельзя было так делать и подключать после РТ приборы, требующие заземления. И тут их мир пошатнулся. Конечно, все кто так делал сделают все, чтобы отстоять свою правоту и вернуть устоявшееся решение на место.
Спрашивают, а почему никто из производителей не написал что нельзя подключать аппаратуру класса 1? А зачем им это? Чтобы потерять 50, а то и более процента рынка? Если об этом не упоминать продажи идут лучше, так пусть все так и остается.
Я сделал все, что в моих силах, чтобы объяснить, как нужно. Если есть несогласные, пусть каждый останется при своем мнении. Я не намерен более участвовать в этой дискуссии (у меня отпуск на носу, море волнуется без меня).
Надеюсь, что у тех, кто умеет гуглить, наша беседа хотя бы зародила зерно сомнения, ну а дальше каждый сам для себя примет правильное решение.

8 лайков

@Yan хороший ответ.

ты меня таки заинтересовал темой )))

как-то так я устроен, что все что в учебниках скрывается за “очевидно следует” у меня пораждало миллиард вопросов.

потом опыт показал, что вообще ничего очевидно не было, а просто надо было доучиться до третьего четвертого курса универа, чтобы понять это “очевидное” или вывести из трехэтажной формулы, или осознать что" очевидность" была вообще политическим вопросом.

конечно так не всегда. можно просто тупануть, попутать “знаки” итд

но, все случаи в которых почему-то очень тяжело подобрать понятные слова все-равно намекают на то что все не так просто ))

второй момент, когда “все не так просто” это если ты профессионал в теме. что-то вбилось в голову, стало аксиомой, и копнуть на уровень дальше уже становится тяжело, так как надо “обнуляться”.

я не занимаюсь и не занимался силовой промышленной или медицинской электротехникой. только физикой. и попробую с этой стороны подойти со стороны простой логики и заведомо “обнуленным” в контексте формалных правил ПУЭ.

итак. ПУЭ и вопросы безопасности. это про звук? - нет. это про рациональность? - нет.

ПУЭ это юридический документ не в меньшей степени, чем практический.

попытка нагуглить “почему нельзя заземлять оборудование после РТ” никчему не приводит с позиций физики. картинки выложенные тут - никаких ответов не дают.

подтягиваем тогда юриспруденцию и физику.

с точки зрения ПУЭ и юриспруденции РТ это устройство безопасности. Так и называют - “трансформатор безопасности”. поэтому заземлять подключенные через него устройства нельзя! иначе он теряет свой функционал по обеспечению дополнительных мер безопасности. Такое обьяснение есть и “в интернетах”:

выводы: заземления после РТ убирает дополнительную безопасноть которую дает этот РТ.

становится ли после заземления вся конструкция опаснее чем была до РТ? - нет не становится. Обрыв провода вторички на корпус или на землю ровно настолько же опасен как и без РТ. внутреннее КЗ в приборе ровно также работает без участия защитной земли как и с ее участием.

путаница возникает когда обсуждается заземление собственно самой вторички. то есть… до РТ нейтраль может быть вообще заземлена (глухозаземленная нейтраль) . а после РТ - это само по себе аварийная ситуация. поэтому во избежание глупых ошибок есть простые правила, прописанные в ПУЭ.

оффтоп из физики для тех, кто вообще не понимает в трансформаторах

в обычной сети питания в РФ два провода в розетке
провод 1 - фаза - 230В “горячий”
провод 2- нейтраль - 0 вольт “холодный”

после любого РТ на контактах сетевой вилки уже нет нейтрали . там будет такая картинка:
провод 1- фаза 115В
провод 2- фаза 115В

то есть после РТ оба провода “горячие”

отчего это защищает? простой российский бытовой пример актуальный в 90ые-2000е года: стиральная машина, в которой горе мастер инсталлятор, занулил корпус, что как бы по его мнению эквивалентно заземлению при наличии глухозаземленной нейтрали. поставили РТ до такой стиралки и получили сразу проблему - 110В на корпусе и риск поражения током.

хуже того, я видел сам в квартирах перемычки между контактом земли и контактом нейтрали. прямо в розетке! а при установке РТ это будет сразу КЗ фазы на землю :woozy_face:

поэтому наличие таких правил в ПУЭ не вызывает вопросов. с этим вроде разобрались.

Перейдем теперь к случаю чистого аудио:

если никакого заземления проводящей нейтрали в приборе нет. ( а его нет в аудио никогда нет и неясно откуда может взяться) тогда заземление после РТ не более или не менее опасно чем заземление без РТ. просто РТ теряет свою функцию “трансформатора безопасности” но функция сетевого фильтра помех остается.
—-

Ну и кстати необязательно заземлять после РТ аудио устройства работающие с заземлением в обычном режиме. Именно если мы говорим про аудио. Это конечно диковато с позиций ПУЭ и классификации приборов по классам. И такое не надо делать в промышленности или медицине. А вот в домашнем аудио - вполне себе нормальное мелкое хулиганство :grinning: в некоторых случаях отключение системы от защитной земли дает скачок качества звучания. А если отвлечься от юридических вопросов - общий уровень безопасности не особо страдает. (Плавкие предохранители и общее УЗО должны быть на месте) Реально плохо с безопасностью в домах где вообще нет земли, а приборы на нее все рассчитаны, в тч бытовые не только аудио. Таких случаев в стране и на форуме у нас много. Важно понимать все равно что ответственность за нарушение ПуЭ должен каждый сам брать на себя :sunglasses:

10 лайков

“лирики” выдохнули с облегчением
Ну и tech rollercoaster )

Сергей @Bugaev_Sergey, я благодарю тебя за то, что не удержался и все-таки вмешался в это бурное обсуждение. Я с большим удовольствием прочитал твой ответ. Я на него не рассчитывал и поэтому решил прекратить беседу на эту тему, но раз уж появился в обсуждении твой ответ - позволю себе прокомментировать некоторые моменты.

Вот с этим моментом я не могу согласиться. Я поясню свой ответ. Когда производитель устройства класса 1 (с заземлением) спроектировал устройство и изготовил его, то с формальной, юридической и прочей практической стороной для обеспечения безопасности он заложил режим безопасности за счет использования заземления. Т.е. он решил, что если вдруг произойдет пробой на корпус, то заземление спасет пользователя за счет того, что есть возвратный ток в глухозаземленную нейтраль, что вызовет срабатывание предохранителя и отключение опасного устройства от сети. Сам факт заземления устройства после РТ не делает устройство опаснее, но это создает условия при которых в случае возникновения аварийной ситуации не даст сработать заложенной производителем защиты. Вот о чем я толкую. Да, мы можем включить устройство класса 1 с заземлением после РТ, но в случае пробоя фазы на корпус, защита, заложенная производителем не сработает. А это уже может привести к разным последствиям - удар током относительно других цепей, пожар, вызванный током короткого замыкания, который не привел к срабатыванию защиты и перегоранию предохранителей.
Другое дело, если мы имеем дело с приборами класса 2 (усиленная или двойная изоляция). Они знать не знают ничего про заземление и говорят, что проблем не будет, так как мы обеспечили такой уровень надежности изоляции, что аварийная ситуация произойти не может.

да, если мы пытаемся заземлить прибор, подключенный после РТ, то фактически мы обеспечиваем гальваническую связь корпуса с глухозаземленной нейтралью, при этом функция гальванической развязки полностью теряется. По поводу фильтра от помех вопросов нет. Про аудио я здесь тему вообще не поднимал, обсуждал только вопросы безопасности.

С этим согласен, каждый вправе творить любую дичь и отвечать потом за нее.

3 лайка

С возражением согласен.

В этом то и смысл юридического аспекта «предусмотреть все» и «заранее знать как найти виноватого».

А если к практике.

Правда жизни в том что производитель особо ничего не предусматривает по части безопасности в рамках переменки, а просто соблюдает правила. Они просты - корпус из металла? Тогда он подключается к защитной земле. Корпус не имеет проводящих поверхностей? Тогда можно убрать защитное заземление. Вроде так да?

Обрыв фазы на проводящий корпус может быть замечен обычным диф УЗО, только если он произошел в переменке. А со стороны постоянки уже не важно РТ или не РТ. Сам силовой трансформатор является таким же точно РТ и это всех уравнивает.

То есть авария нужна такая: буквальный обрыв провода переменки на проводящий корпус. Вызывающий токи меньшие чем срабатывание плавких предохранителей.

Аварии в самой схеме устройства (уже после выпрямления тока), которые таки наиболее частые и даже скажу что преобладающие по кол-ву. Во всех случаях равнозначно опасны и равнозначно вероятны.

Вот с этой трезвой оценкой рисков надо идти на все мелкие хулиганства.

Для себя самого я оцениваю обрыв провода переменки на корпус в домашнем аудио равнозначным падению дома или землетрясению (не ноль!). А вот поломка в схеме устройства (сгоревший диод, взорвавшийся конденсатор) - уже штука куда более вероятная и все что мы обсуждаем тут на эти аварии никак не влияет - так как любой силовой трансформатор это тоже РТ.

Фактически каждый кто использует бытовую технику или аудиотехнику с металлическими корпусами и с тремя контактами в силовой розетке у себя дома без защитной земли - тоже мелкий хулиган. (Хотя это и чуть другой случай).

6 лайков

При касании любого одного контакта вторички рт, ток никуда не пойдет. Тоже касается случая пробоя фазы рт на корпус устройства, ничего не произойдет. Чтоб долбануло током, нужно одну фазу рт посадить на землю, а вторую на корпус, тогда получим кз. Но зачем?
Балансирующий транс - это другое, он не безопасен.

1 лайк


напомнило… :peace_symbol:

2 лайка