У предусилителя нет выходных клемм для подключения АС.
Мощности хватает, просто с предом от Leak звук получается более собранный, атака быстрее, объема побольше, и опять же “на уровне тела” в сумме выходит больше мой звук, чем каждый из них по отдельности. Как-то так :)) Также, возможно именно предусилитель у Маранца не самый лучший. Аппарат уже не новый. Но как усилитель мощности он супер!
Как это нет..?
Leak 230 же с акустическими клеммами.
Павел, вы всех сбили с толку не пониманием что такое предусилитель ![]()
Как это Данила..?
А что есть в 8006 предусилитель?
Это же обычный чистый усилитель…
Простите…я всех заранее предупредил об этом )))
Абсолютно любой полный усилитель состоит из предусилителя и оконечного усилителя. Не у всех правда есть выход с преда и вход в оконечник, но если есть такие входы и выходы, то Любой такой усилитель можно использовать и как пред и как мощник.
Потому что интегральник, а не пред.
Ладно ребята… всем спасибо за ликбез!
Вспомнил Джеймса Бонда - смешивать, но не взбалтывать ![]()
Остановлюсь пока этом ![]()
![]()
Если грамотно делать, то фильтры на качественной элементной базе делают на новой плате. Родные стоковые не трогают, просто вынимают вместе с проводами, и ставят новые фильтры, с хорошими проводами. Для продажи совершают обратные действия. Всё возвращается к стоку))
Вот это самый правильный подход !
И правильно , слушать нужно все по возможности в своем помещении , где вы будете жить со своей системой.
Все верно, leak формально и не предусилитель. Он интегральный усилитель. Как и Маранц. У них у обоих есть и усилитель, и предусилитель, встроенные в один корпус. Я просто использовал два интегральника в связке, взяв лучшее от обоих, и получилось хорошо! К тому же я подозреваю, что у Маранца не самый лучший предусилитель, но хорошая усилительная часть: раз они даже сделали такую функцию ему, как возможность работать только в режиме усилителя.
По теории: “усилители” бывают двух видов. Первый – интегральный усилитель. Это самый распространенный вид усилителей. Они содержат в себе и собственно сам усилитель, и предусилитель в одном корпусе. Маранц 6-й серии, 7-й серии, 8-й серии, Лик, миллион других “усилителей” это именно интегральники. В вашем усилителе тоже есть встроенный предусилитель.
Однако, в хай-фае считается, что отдельное устройство лучше встроенного. Так, например, внешний хороший фонокорректор часто лучше, чем встроенный. Внешний отдельный ЦАП лучше, чем встроенный в стример, и так далее. Поэтому, в дорогих сетапах используют все компоненты по отдельности, в том числе используют отдельно предусилитель и отдельно мощник (усилитель мощности) как две коробки, а не устройство “все в одном”. Они прямо так и продаются, как “предусилитель” и “мощник”. Два устройства, чтобы итоговый звук сделать лучше.
То, что я сделал, не совсем стандартный вариант – я из двух интегральников сделал, собственно, мощник и предусилитель. Но раз Маранц позволяет работать в таком режиме – в режиме чистого усилителя (что бывает НЕ часто для интегральников), и звук нравится больше, то почему бы и нет :)) Вот, как-то так.
Низкий поклон за развернутое пояснение ![]()
Теперь я всё понял Данила ![]()
![]()
![]()
Черкнул кстати коротенько в тему по усилителям Marantz. Получил ответ на свой запрос и европейского офиса компании ![]()
Кстати , если вам понравился Маранц как мощник , то думаю стоит ещё попробовать подобрать чисто предусилитель какой нибудь хороший , что бы без костылей . Думаю хороший пред переиграет 230
Хотя если вас все устраивает , то и не надо.
Но я бы позже все равно попробовал , взял бы какой нибудь топовый пред в среднем сегменте и послушал.
Другой телефон… и лампочки выходные другие:
Дины 25ки впечатляющие полки, атмосфера присутствия в помещении конечно очень крутая… наверно лучше, что доводилось иметь/слушать.
Так может стоит их обратно вернуть , раз так нравились )
С новыми кроссоверами .
Как пишет на выставке даже не чего не играло
Так хорошо .
Правда новые кроссоверы вышли 1000$+
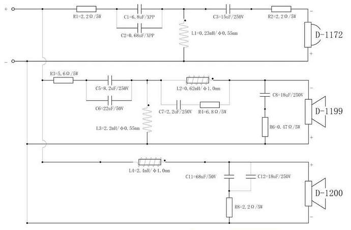
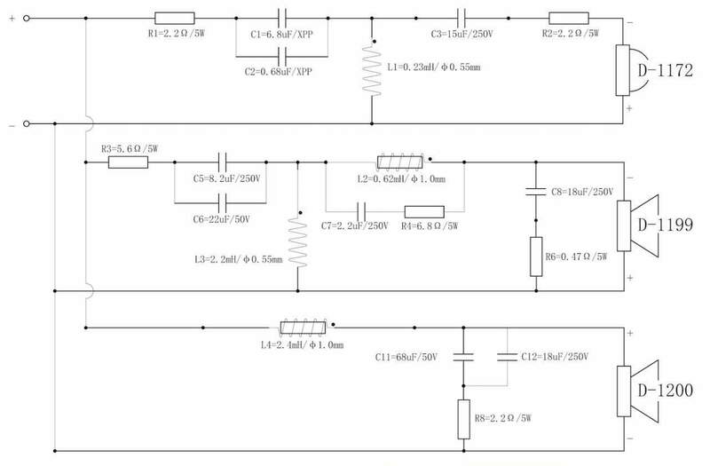
эм… поправочка, менять там много, просто дохрена)
Спойлер
Buongiorno a tutti. Questo è il mio primo messaggio e come prima cosa, visto che non ho trovato la sezione apposita, volevo perlomeno salutare tutti. Scusate l’ot. Ho da poco acquistato le Linton e ne sono molto soddisfatto. Al più presto vorrei procedere alla modifica seguendo le indicazioni che si trovano su YouTube, in particolare di un signore tedesco che sostituendo un paio di condensatori e alcune resistenze, sul crossover nella sezione degli alti, ha migliorato di molto la qualità del suono. In rete ho trovato uno schema elettrico del crossover delle Linton ed anche una foto. Eseguirò anche il completo cablaggio dei cavi interni. Impegni di vario genere permettendo.



