Да, вспомнил: вместо ноу нейм микросхемы рег. громкости поставил Тексас Инструментс
Друзья, а может кто знает, какой потенциометр можно поставить на замену штатному в Fosi ZA3?
ALPS вроде бывает таких размеров. Сейчас только на Али наверное можно купить.
В том то и проблема, никак найти не могу…
А номинал какой?
Судя по всему 50кОм, но там потенциометр сразу с кнопкой включения совмещён.
У альпс с выключателем не бывает, посмотрите на Али похожий. Еще обращайте внимание какая характеристика у вашего (логарифмическая, линейная). По любому должно быть, в усилители же ставят, должны и отдельно продавать))
Всем (но не мне, увы) доброго утра! А кто в России (Москва) Gryphon чинит?
Есть усилитель. Собран по схеме Pass Alephs 3. Проблема с включением. Там стоят реле. Обычно реле срабатывает через пару секунд после включения. Но последний год - два реле срабатывает через 3-4 секунды, а изредка даже через 5-6. За это время два-три раза было , что он вообще не включался, но на следующий день опять начинал работать. Из-за непостоянства неисправности в ремонт не сдавал. Сегодня, после трёх недель простоя , он опять не включается вообще.
Решил в ремонт отдать, обратился к паре мастеров недавно от меня, так они с самодельными аппаратами не работают.
Может кто подскажет , что там может быть ?
Хотя бы фото внутренностей сделайте… Невозможно определить, что там внутри наваяли.
Реально, по фото, мало что понятно…
Но, на срабатывание защиты, есть две причины… Усохший электролит в самой схеме защиты или постоянка на выходе УМ.
Ну и науку о контактах, ни кто не отменял ![]()
Контакты , естественно, в первую очередь проверил. Не первый день за мужем ![]()
Но я так понимаю, что это не защита на выходе , а именно реле включения по какой то причине срабатывает с задержкой или вообще не срабатывает, как сейчас.
Вам же написали конкретно об электролите слева от синего корпуса реле. Прозвоните сначала предохер, отмаркируйте провода перед их отсоединения от винтовых колодок. Демонтируйте эту плату и замените на аналогичный электролит не перепутал его полярность. Собирать - обратном порядке
Спасибо. Очень доходчиво написали. Попробую, может сам смогу заменить.
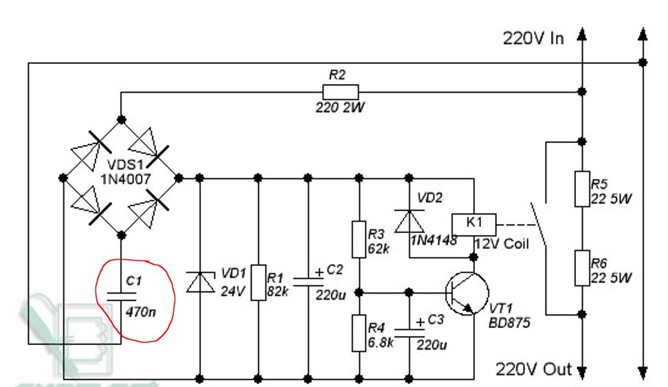
Если в работе участвуют пленочные емкости X2, те желтые на плате, часто им отводят роль балласта, они по своей задумке деградируют. И спокойно, вместо например 0,68uF, могут быть уже 0,22 или сколько угодно. Выполняя роль балласта но с пониженной емкостью, уже не в состоянии зарядить фильтрующую емкость. Так что, кроме электролита, проверьте номинал пленочных. Я этих балластов из за которых не стартует устройство поменял уже прилично. Это удобное решение, но X2 деградируют, не потому что плохие, а потому что выполняют свою работу.
Это на всякий случай.
Плата похожа на плавный пуск. Который возможно и не работает.
Посмотрите как меняется ноль на выходе непосредственно плат УМ сразу после включения. Полагаю разгадка где-то там
Проверьте для начала 24 вольта постоянного напряжения на двух самых тонких ножках реле,в инете есть даташит.
Конкретно о возможной причине не работающего софтстарта. Если конечно это он.
Приблизительно, распространенная схема без применения маленького трансформатора, вместо которого ставится балласт из пленочного конденсатора. И как правило на эту роль назначают X2 тип склонный терять емкость. На схеме он C1 в кружечке.


