Давно читал и тоже намеревался собрать xono. Но так и не решился)
А сравнивал кто-то ono/xono/pearl с их продаваемой моделью хр-17/27?
Я так и не понял с какими ходовыми фониками обычно конкурируют дий сборки Пасса?
Давно читал и тоже намеревался собрать xono. Но так и не решился)
А сравнивал кто-то ono/xono/pearl с их продаваемой моделью хр-17/27?
Я так и не понял с какими ходовыми фониками обычно конкурируют дий сборки Пасса?
а это сложный вопрос, одно дело сравнивать то что собрал мой приятель, из того что под рукой, а другое если на хороших комплектующих,
вообще ритейл у ONO был достаточно конским, особенно учитывая инфляцию.
Тут вы не правы, отдельных брендовых корректоров уже в 80-х не мало, хотя бы у тех же Luxman
Вот, кстати, вопрос по корректору Pass Labs есть.
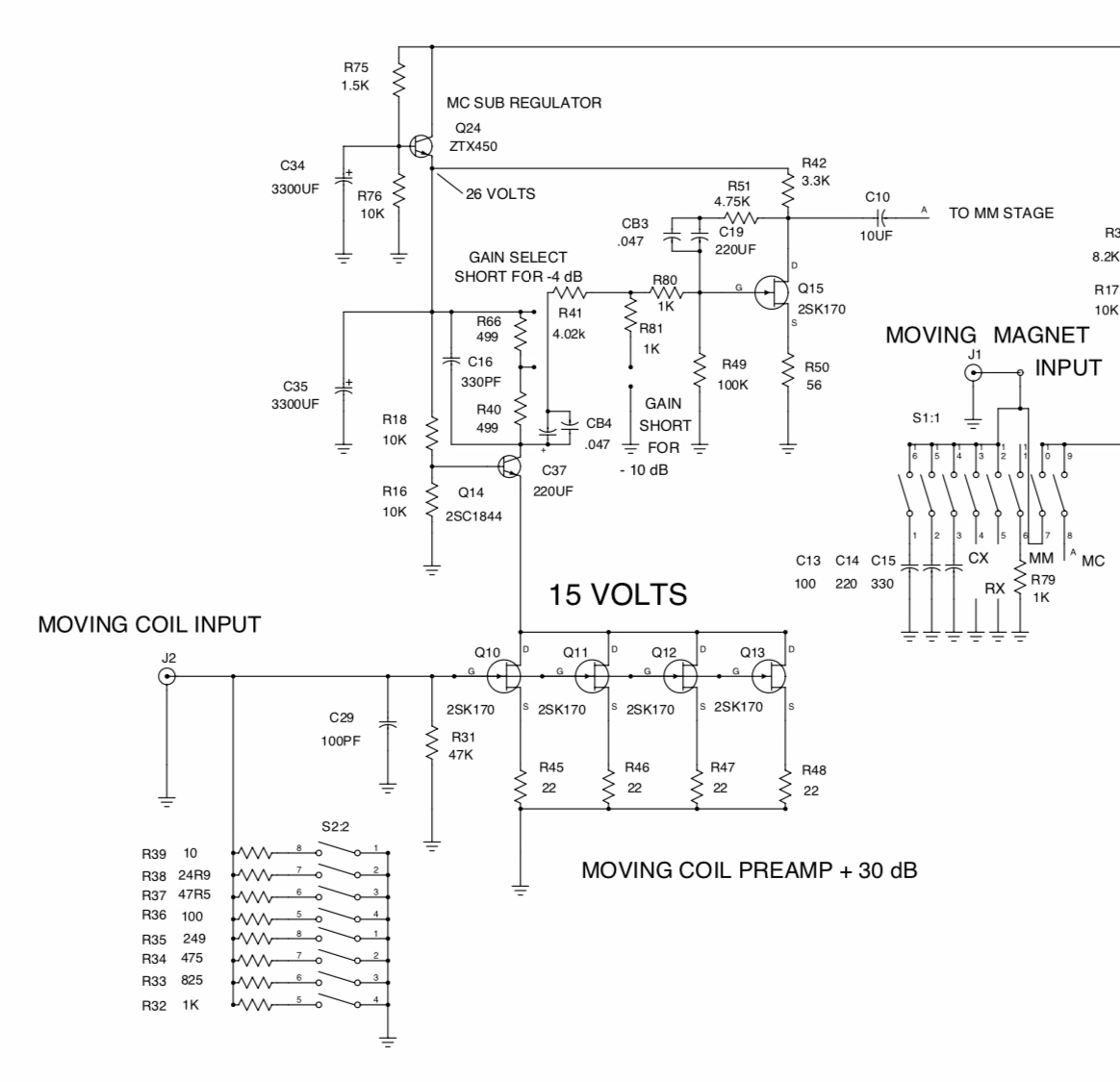
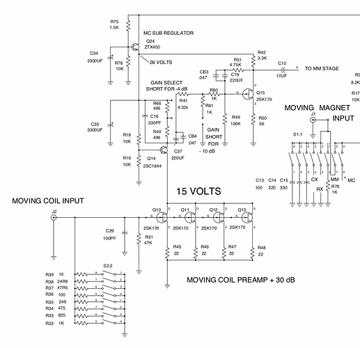
На свой фоно мне грех жаловаться, но для головок Soundsmith/Grado нужен вход от килоома до 47К, но выход у них низкий ≈ 0.2, как у MC. Мой фонокор с трансами позволяет нагрузить максимально до 470 Ом, чего явно недостаточно. Глянул схему преда MC Ono и очень похоже, что это самое то
Кто-нибудь пробовать по этой схеме
MC Pre-Pre собирать или просто сравнивать по звуку с приличными трансами? Как он?
Вообще, очень интересен и отзыв использования его в качестстве полного корректора с низкими МС, а еще интересней, как он сравнивается с довольно дорогими фоно.
Спасибо!
1- корпус , если он железный или из пермаллоя , защитит высокочувствительные каскады фонокорректора от наводок самого усилителя .
2- очень важно обеспечить фонокорректор правильно организованным качественным индивидуальным питанием . В отдельном корпусе это сделать проще - возможно использование перегородки из выше упомянутых металлов или вынос БП в отдельный корпус.
3- И “хорошие” и “из того что под рукой” комплектующие одинаково по разному, до не узнаваемости , влияют на звуковой почерк прибора , собранного по одной схемотехнике .
Здесь важен личный опыт и понимание критериев искомого результата.
Чем больше опыт , тем сильнее он влияет на критерии , потому топовые корректоры на вторичке не редкость , и на авторские стабильный спрос … С уважениемм…
Я про сравнить реальные реализации. Взять и послушать.
Интересно именно это, для того чтобы потом говорить что встройка хуже.
Или не хуже.
Боюсь, что не много ФК, которые были интегрированными в усилитель, производились также и в самостоятельном корпусе.
А сравнивать секцию ФК в Braun, например, с самостоятельным EAR|Yoshino каким-нибудь, будет сравнение разных устройств, а не встройка против отдельного.
Если
встройка
устроена согласно перечисленным мной пунктам , то разницы в звучании не будет , но будет разница в цене , не в пользу “комбайна”.
Скорее всего.
Поэтому я сам и подумываю о клоне какой-нибудь неплохой классической ‘встройки’ в отдельном корпусе.
для головок Soundsmith/Grado нужен вход от килоома до 47К
Ды… имею Градо и считаю себя везунчиком, что в моём преде у встроенного ФК на входе ММ регулировка и сопротивления (от 1 до 100 КОм) и ёмкости (от 100 до 710 пФ) и тока))
Для Градо да, если искать или собирать кастомный корректор, то с возможностью настроек красивыми ручками на галетных переключателях.
собирать кастомный корректор
Пока не вижу смысла для своей системы, а вот МС предусиление с такими возможностями настроек очень даже будет к месту.
благодарю вас низким поклоном!очень интересная схема!надо будет как нибудь сделать на комплектующих которые удастся раздобыть…необязательно точь в точь
The following is a press release from Moonriver Audio. The needs of any demanding audiophile who loves vinyl records, both now and in the future. Designed with audiophiles, record collectors and vinyl freaks in mind, it boasts 4 inputs for all your...
Est. reading time: 2 minutes
Кто-то слышал об Edwards Audio (Talk Electronics, UK)? Бюджетные вещи делают.
Фоник такой недавно анонсировали, но инфы маловато, особенно на их собственном сайте. Но у продавцов она имеется. Например, здесь - https://aidaaudio.com/shop/audio-equipment/edwards-audio-mc6/
Навороченная штука ))
https://cinemascop.ru/katalog/proigryvateli-vinila-i-komplektujushhie/fonokorrektory/edwards-audio-mc6/ инфы действительно нет, но здесь вроде есть в продаже.
А с чем то ещё сравнивали?
В лоб ни с кем, понравился при прослушивании и взял, далее был iFi Audio ZEN Phono + бп iFi iPOWER X, а сейчас Mastersound PH1 Phono Module ламповый, но переделанный в питании на тор. По звуку аpprentice на уровне базового ifi играет, который без хорошего питания. Открыто, чисто и легко.
We only got a brief sneak peek at Moonriver Audio’s cool new 505 MM/MC hybrid phono preamp in action at Munich High End 2023 back in May — more specifically, it was part of a top-shelf demo system comprising a Takumi TT Level 3.1 turntable, Moonriver...
Audio Technology Switzerland is delivering the first units of its new phono stage the Nagra HD PHONO - With more than four years of R&D efforts, Nagra’s new ambitious phono stage is finally in production and first units are shipping worldwide.