Малинка по юсб для начала самое то, потом можно со шляпой поиграть если интерес останется)
Возможно, но если разговор о УСБ, не думаю что Малина прям переиграет любой современный Андорит смартфон с правильными плеерами под УСБ (UAPP, Neutrino, HiByMusic…). Раз так, то смысл с малиной заморачиваться?
Так человек же выбирал между ноутбуком и неттопом, а малинка попросту дешевле и гораздо лучше подходит на роль стримера из коробки, плюс есть куда расти)
Валентин, скажите из вашего опыта, какие операционки для аудио самые-самые под cubieboard 3 ?
- Андроид смартфон дороже
- Висящий на проводах за стойкой андроид смартфон очень неудобен в управлении
- Питание смартфона с одновременным подключением ЦАПа по юсб немного напоминает удаление гланд через подмышку
Runeaudio
Да, все так… смысл моего сравнения был в контексте, если этот самой телефон уже есть, и интересует УСБ, то покупка малины для этого не обязательно. Не более.
Лично сам УСБ не слушаю.
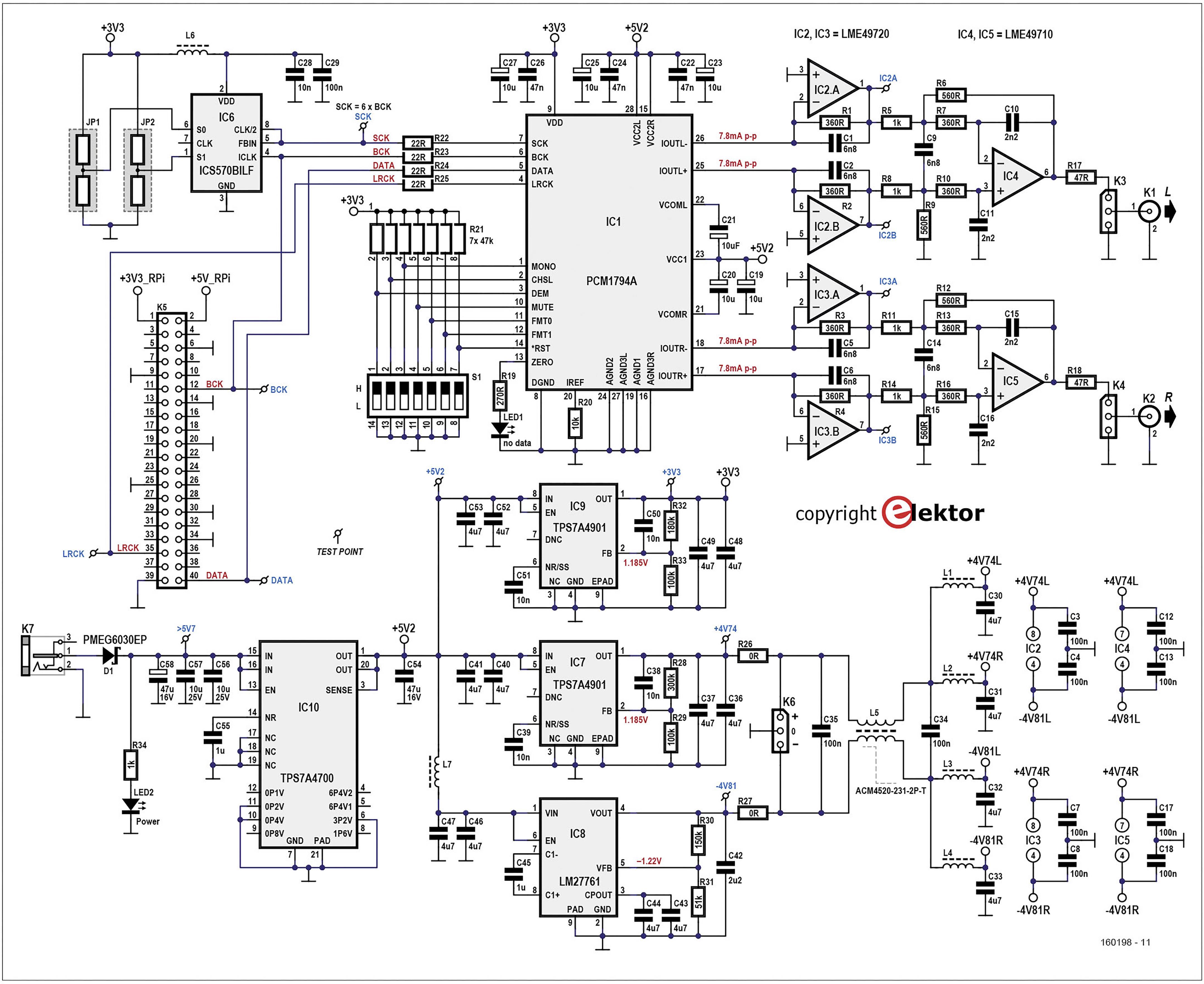
У меня пины сигнала I2S малины прозваниваются с теми-же пинами на шляпе TeraDac HIFI DiGi. Шляпа не преобразует этот сигнал в правильный для подачи на ЦАП, и ее GRPIO просто дублирует GRPIO малины. Прав был isander Александр: “У шляпы digi один посредственный клок и непосредственно вывода i2s нет”. (
Понятно… а так красиво пишут на сайте. Жалко, но ожидаемо.
Но и по SPIDIF звучит совсем не плохо. Хочется слушать.
А Вам, Вадим, удачи в конструировании пассивного выхода.
Спасибо! Он почти готов… осталось отсушать еще с десяток конденсаторов, и определится с лучшим. Как раз приехали. Кандидат уже есть.
Да, правильно.
Если пойти простым логическим путём, шляпа, которая работает в слейв-режиме не может “преобразовывать в правильный”.
Я для себя решил, что эта шляпа - “прокачанный” .HiFiBerry Digi +. 
Да, соглашусь, играет хорошо.
Для редбука 44.1/48 этого наверно вполне достаточно, а уже выше, то необходим реклокер, весь вопрос услышим ли мы его влияние?
эх… их напор да в нужном русле, такой стриммер можно былобы забомбить )
интнресно, солько они за такую коробку хотят?
Трудно сказать, наверно всё будет зависеть от его комплектации, но заказы они уже принимают.
а четвертые малины вообще никуда не ставят в стримеры что ли?
Пожалуй они сугубо на любителя
!

!