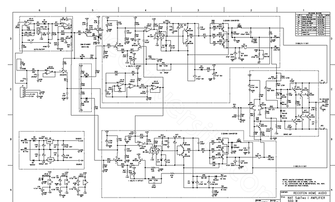
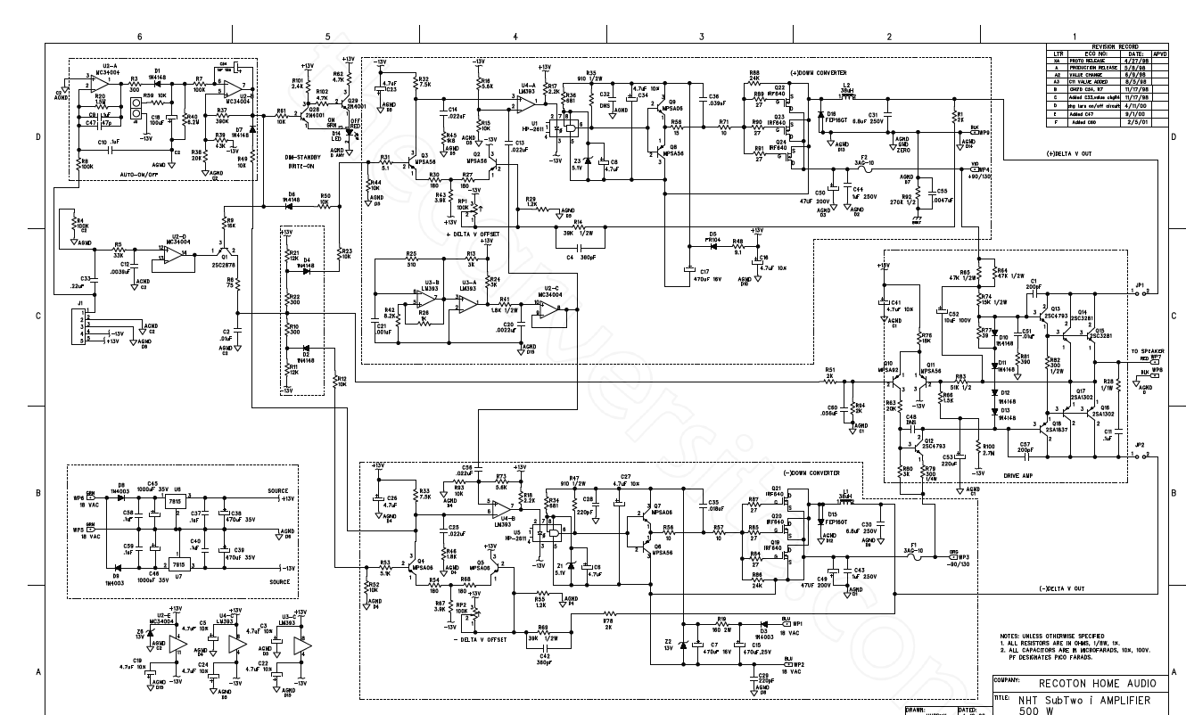
Это схема без предусилителя
Постоянка на выходе стабильна? То есть через 5-10-30 минут работы?
Долго не ждал , 2-3 минуты есть и не падает . Когда сигнал есть , она тоже присутствует
С53 менял? Надо бы подождать, хотя бы минут 15… и посмотреть на изменения.
Менял этот конденсатор. Большие сомнения что 200 мв уйдут с прогревом . Он не сильно греется
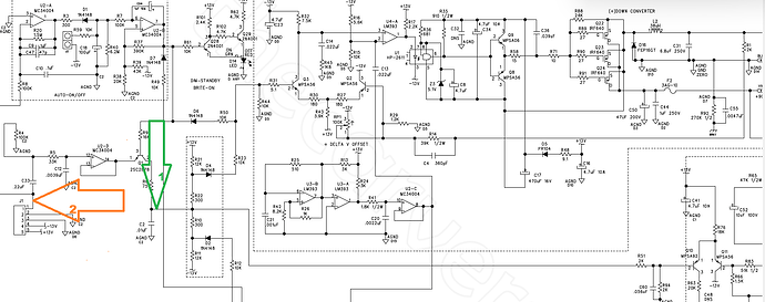
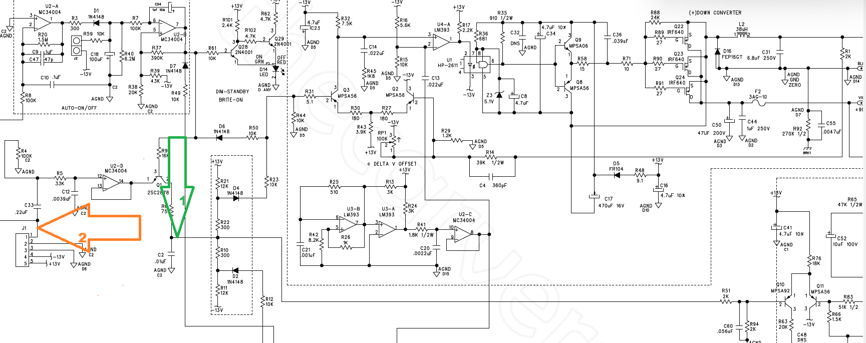
на фото верхняя синусоида после U2 по амплитуде меньше чем на входе нижняя синусоида это нормально ?
Поставил 3,9 мОм . Постоянное напряжение на выходе стало 100 мв. На базах транзисторов 1.17 в и -0,97 в
При увеличении выходного сигнала синусоида на выходе усилителя имеет ступеньку
Не увидел ответа у вас про первопричину поломки. Или просто померили и начали задумываться о 200мВ..
ток покоя снизился
увеличьте R63 до 22 … 24 кОм.
Перенесите схему в симулятор и покрутите номиналы.
Удалось убрать регулировкой питания выходного каскада , там два потенциометра . На сколько критично 100 мв постоянки для динамика сабвуфера ? Какой симулятор лучше использовать ?
R79 если увеличить до 330 ом на постоянное напряжение на выходе он влияет ?
мне нравится Multisim
“Ступенька” вырастет. А при уменьшении может случиться саморазогрев.
Понял, 100 мв сильно критично для динамика сабвуфера , стоит дальше что-то делать ? на нагрузке 10 ом получилось 71 вольт , дальше верх и низ синусоиды начинает срезать . По форме ровная получается
Всех с наступившим!
Усилитель для наушников SimAudio Moon Neo 430HA. Внезапно пропали низкие и средние частоты. Проблема именно в усилителе (менял и источник и наушники и кабели). В чем может быть проблема? Заранее благодарю за информацию!
Там только один выход наушников? Если нет, то попробуйте другой.
Не прошло и полгода (прошло), как правый канал опять зашуршал. И дело опять не в лампах. Устал я от всех этих лампов ((( И это при довольно щадящем режиме работы.
Ищу мастера, который посмотрит и подлечит этого пасынка Квортрупа
Все выходы проверил, разумеется
Приветствую Всех! Rega Mira 3 , характерно зашуршал, заскворчал правый канал. Сможет кто то помочь с ремонтом ? Сам не имею навыков (
Похоже что отвалился общий минус выхода на наушники, вероятно в разъёме, хотя обычно в кабеле бывает.




