Не втянете меня в холивар, я ясно всё сказал.
А где там слюда то? Полистирол вижу, полипропилен или лавсан тоже, керамика на обратной стороне, и она не NPO судя по цвету. У меня есть такая же плата от beorgam B&O, досталась как донор 1540
Я отвечал на написаное: вместо керамики/слюды
Самое печальное, что с учетом суммы всех этих переделок можно было бы купить хороший аппарат выше классом.
Пробовали сами? Уверены? Сравнивали?
Да, конечно, обжигался сам. Отправлял на замену конденсаторов в том числе. Мастер, разумеется, писал, что стало намного лучше) А что лучше, я так и не смог понять и все равно продал аппарат.
Считаю, что этот невроз апгрейда сопутствует покупке винтажа и авторской техники.
А, понятно. Каков поп, таков и приход)). Я лично сам всё себе делаю. Результат всегда практически отличный.
Проблема в том, что вы отказываетесь рассуждать в контексте статистики.
У вас могут быть прекрасные результаты, которым должны завидовать конструктора промышленных изделий, но это имеет мало отношения к явлению: “а точно все нормально работает, а можно ли сделать получше?”
Выше правильно пишут, что это преимущественно торговля воздухом.
О, у вас есть на этот счёт статистика? Поделитесь пруфами, плиз, интересно))
С таким успехом я могу попросить пруфы с “почти всегда лучше”. Только какой в этом смысл? У вас свой опыт, у меня свой.
Весна вроде уже кончилась, а благородные доны за столиком рекапа продолжают исступлённо спорить у кого оксидный слой толще и электролит крепче ![]()
Ну это же вы заговорили про статистику, значит у вас она есть, хотя я очень сомневаюсь.
Особенно доставляет, когда спорят и дают икспердные советы товарищи, мягко говоря, не в теме. Чего только стоит хотя бы мнение про блок, от которого напрямую зависит работа филипсоплеера, выполнение им своих первоочередных функций
![]()
Если слушатель искренне верит, что после замены конденсаторов на аналогичные, но другой марки звук его системы улучшился, низ стал более упругим и разборчивым, а сцена увеличилась в глубину, зачем его в этом переубеждать? Клиент доволен, “мастер” заработал, всем хорошо)
Если поменять полудохлые, на исправные, обычные промышленные, то однозначно, звук будет лучше…
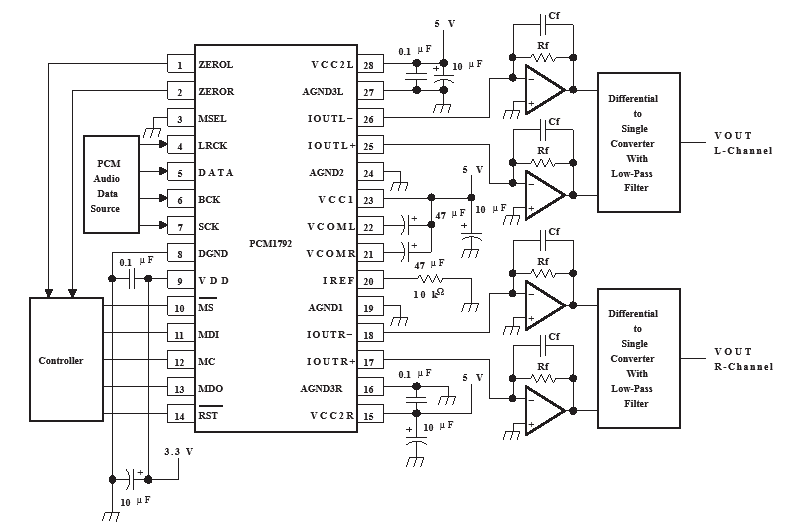
Коллеги, а что из смд-конденсаторов есть максимально приличное? В общем в обвязку рядом с РСМ1792, но можно и под более расширенное применение.
1792 непрожорливый. По даташиту там мелких емкостей достаточно. Так что можно и elna RVF (она же silmic smd) или nippon chemicon MAR из их аудио линейки Melodio. Но это с точки зрения аудио линеек приличное, не даташитных значений. Вообще его обвязывают кто во что горазд. В основном обычными, не смд . Люксман - джовиалом, ТАД обычным силмиком, Сим Аудио промышленным ничиконом.
Благодарю, спасибо большое за совет!


