Это в теории. По началу тоже очень переживал по поводу одновременного присутствия материнки и DSC в одном корпусе. Даже поставил внутри экранирующую капсулу для цапа. Но потом замучился её постоянно демонтировать. И обратил внимание, что и без неё всё прекрасно. Расстояние между компом и DSC около 10см.
Неа, не рано 
Внимательно посмотрел Q170T. От всего ATX разъема оставлен только актуальный для проца +12V. По этой линии, так же как и на всех остальных матерях, разведен асусовский Digi+VRM( при чем менее шумный - 5ти фазный). остальные напруги в т.ч. для памяти с их напряжением < 1.5В, такие же как и на стандартных матерях… возможно есть доп преобразователи для 3.3в и 5в… но не думаю что они тут будут задействованы…
Теоретически можно даже без линейника обойтись: транс - мост - батарея кондеров или аккум от упса… При желании можно и от акума какое то время будет послушать…)
Блин… Как мне это все нравится… жаль под кофе лэйк таких платформ пока нету (((…
Надо хорошо поисследовать эту тему 
Я больше переживал не столько за ЭМИ, сколько за землянные и USB шумы от различного рода преобразователей на Мат. плате и в БП. А они уууухх как портят звук на простых транспортах (иногда просто до неузнаваемости). При использовании платы только с 12В веткой питания можно полностью исключить шумы запитавшись от линейника или еще лучше от аккума…
А DSC мне кажется ничего не ловит из за хорошего земляного экрана под матрицей, без него возможно было бы хуже…
Когда брал, у азуса были ещё только H110S1. Но могу заверить, что плата крайне удачная для звука. Видимо их фирменная Digi+VRM действительно хороша.
Жаль последние процессоры туда не запихнуть.
пошукал быстренько тао на тему интересных корпусов. Еще один приметил. Не такой конечно изящный как предыдущие но тоже не плохо выглядит. и достаточно просторный.
Нужно правда продумать систему потоков для эффективного удаления тепла из корпуса…
По линиям питания:
Проц - от 0,9 до 1,4 V, DDR4 - 1,2 или 1,35 V в зависимости от частоты, SATA - 12V, 5V и 3,3V (последнее для старых устройств), PCI-E - 12 и 3.3V.
Вот и 5 фаз получилось - питание проца, DDR, линии 12, 5 и 3,3V.
Т.е. для соответствия стандартам нужно обеспечивать весь комплекс напряжений.
Вопрос только в том, брать ли их с разъема ATX или делать VRM-ом на плате. Причем токовое потребление проца может быть не хилым (не 100 mA, как на ЦАП, а десятки ампер), т.е. VRM должен быть мощным. Значит шумным.
В лучшем случае - просто убираем импульсник из корпуса или заменяем его на линейник.
Что само по себе здорово, конечно. Но не революция. 
Это я не к тому, что импульсные источники питания - зло.
У меня Intel NUC раньше был подключен напрямую к ЦАП через USB без изоляторов. Ну не было огромной разницы импульсник/LPS.
Значительно более заметно было использование гальваноразвязки USB.
Думаю, что без заметного снижения потребляемой мощности крайне сложно обеспечить нешумное, качественное питание. Поэтому так много интересных решений появляется на ARM.
Что то меня как то не впечатлила связка Volumio на малинке + DSC. Долго не вникал, промерял ужаснулся и забил на это направление. Правда питание малинки было не качественное.
Недавно пришла вот такая платка https://www.dfrobot.com/product-1498.html
Планирую использовать для проигрывания оффлайн сконвертированных файлов для DSC. Там как раз на борту уже есть arduino для управления VFD дисплеем.
Да нет, 5 фаз - это питания проца… Например у Павла ASUS DIGI+ VRM - 3 Phase digital power design думаешь они пожертвовали - 12 и 5В ? ))
Нет, не отговоришь… у меня уже мысли понеслись впереди паровоза( транс, LiFePo, корпус охлаждение и понеслась))))… надо только дождаться таких платформ под CoffeeLake
а у меня наоборот Orange Pi + батарейное питание + volumio(спец сборка) - идет как рефренс( с 4495)…
Чуть лучше его были только плата ASUS с Digi+ VRM и ноутбук от Sony… остальные так или иначе были хуже… (но только с APleer. Foobar хуже, а до HQP пока не дорос
)


Алексей, даже не думал отговаривать.
Да, увидел. Ошибся в понимании термина “фаза”.
Сорри. Спасибо.
Видимо для обеспечения необходимого тока для проца ставят 3 регулятора. Мой 1950x под нагрузкой 180 W жрет без разгона со 100% загрузкой. С разгоном - 360W.
Видеокарта GTX1080 у меня с 10 “фазами” (регуляторами). Точно для того, что бы до 200W выдавать.
Мне реально понравился Allo Digione на Малине как источник SPDIF. m/u Rendu очень хорош как источник USB, хотя цену откровенно задрали, конечно.
Но все это транспорты. Большой вычислительной мощности не нужно, можно вылизать питание и схемотехнику (там потребление 10-30W).
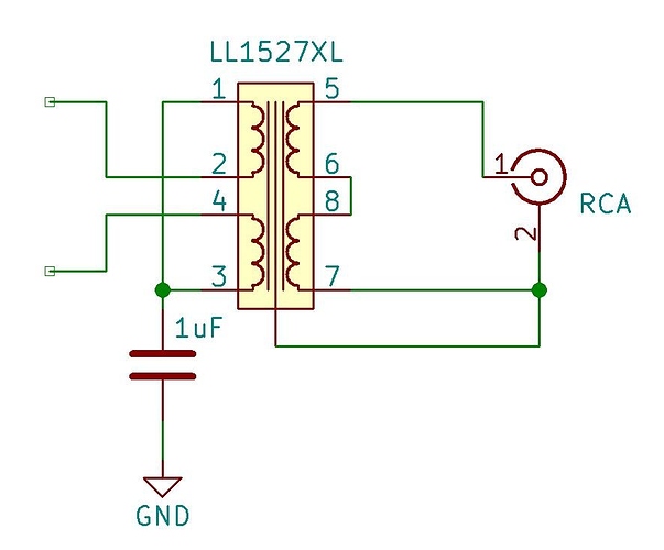
Попробовал с DSC Lundahl 1527XL, любезно предоставленные Алексеем (HiddenPilot).
Данные трансформаторы имеют довольно маленькое сопротивление по DC. С таким сопротивлением получается сильное рассогласование с выходным сопротивлением матрицы резисторов. На слух полная деградация НЧ.
Пока для данного цапа китайские трансы вне конкуренции.
Да уж, не повезло
.
Включаете вы их хотя бы правильно? По datasheet?
Включите для начала по схеме Linn DS (не забудьте про сопротивления на вторичных обмотках и не заземляйте общий вывод вторичных обмоток!):
Это не стандартная Amanero, а китайская подделка, отличающаяся по железу, да и софт там непонятный.
Вот стандартная итальянская Amanero - стоит ли из-за разницы в 15$ покупать подделку.
Сергей, у меня как раз Аманеро прямо с родного сайта.
На Amanero покупать, кстати, не рекомендую. Лично мне эти симпатичные пизанцы отправляли оплаченный товар неделю.
Да и цены у их дилеров поинтереснее.
Согласен, что китайцы могут перемаркированные FPGA ставить. Да и качество комплектухи под сомнением. Поэтому да - потенциальный риск есть.
Cхема, судя по фото, вполне родная. Только питание переработано. Судя по описаниям шьется стандартным софтом, прошивки стандартные. Крайне маловероятно, что это не так.
UPDATE
Да и почему не попробовать? В худшем случае куплю еще одну какашку, которую придется выбросить. С учетом мнения по этой карте Алексея (@HiddenPilot) это не такое вероятное событие. 
А может кто нибудь пояснить, почему важно согласование DC сопротивлений обмоток и выходного матрицы резисторов при такой схеме включения как на DSC?
Т.е. выходная матрица видит C23 и к нему в параллель сопротивление DC на первичке + вторичке. Не понимаю, почему разница между 50 Ом на первичке и вторичке (условно Лундал) и 300 Ом (условно транс на плате DSC) приводит к такому результату на НЧ.
Т.е. было для “китайских” трансов C23 || 600 Ом стало С23 || 100 Ом и бас ушел.
Если долго писать, то буду благодарен за ссылку на статью/литературу по этому поводу.
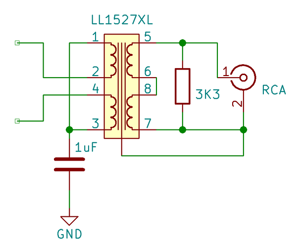
Мой косяк. Оказывается у Лундалов фазировка обмоток уж очень не стандартно сделана. Электрически соединил правильно ну типа + и - не перепутал а вот магнитную составляющую сердечника не учёл. Короче, перепаял в точности по даташиту. Заработал нормально. Где то рядом с китайским. Но пока китаец с маленьким отрывом всё же лидирует.
Попробую на новую плату запихнуть посадочные места и под этот транс. Хотя довольно сложно вписаться с 100х100.
Да как хотите. Я всего лишь выразил свое удивление.
Павел, напишите пожалуйста точное название прошивки для аманеро. У кого буду брать, говорит их там куча разных.
Александр, их самостоятельно прошить можно.
oem_tool_117 с сайта Аманеро.
В нем и инструкция есть по прошивке.
Подходят 1099с (поддерживается драйверами в Win), 2003be и 2003be_71A, 2002b (последние не поддерживаются драйверами под Win, насколько знаю).
Лучше либо 1099с либо 2003be. В зависимости от операционной системы. В случае чего сами перепрошьете.
CPLD версия во всех случаях - CPLD_for_1080.
Ландалы раскрылись после прогрева. Преимущество слышно при быстрой смене одного выхлопа на другой. Не уверен, что смогу сказать, что больше нравится если слушать с промежутком в 2-5 минут. У китайцев звук проще. Лундалы - звук более воздушный.
Замеры пока сделал только AЧХ белым шумом. Одинаковые. Китаец на 2-3дб погромче будет во всём диапазоне.
Подключил так:
Правда кондёр ещё нужно пересчитать…
Забыл нарисовать ещё нагрузочный резистор в 3К3…
Ещё повожусь с замерами меандром. Однозначно Лундалы будут предусмотрены для установки.
Вообщем думаю пора собирать “хотелки” на новую версию платы.
Но я сильно ограничен размерами платы 100х100мм.
Вот замеры меандра 10Кгц
Китаец (никакие дополнительные средства для подавления звона не применялись)
LL1527XL нагрузка 3К3:




