Не корректорная история )
Закончил себе кухоньку собирать в Питере под свои праздничные визиты в северную столицу)
Соскучился по паяльнику, что аж мышцы сводит🤣
Утром лечу домой, не с пустыми руками - по случаю заказал в резоните новую версию платы talisman signature mm/mc, и сразу по прилету накинусь на сборку, руки чешутся, почти дымятся
Вчера получил 60 плат для своих проектов
![]()
Лучше брать в прок, сильно спокойнее на душе)
И даже собрал плату питания для нового проекта, и несколько вспомогательных плат
Плата питания получила новую возможность, а именно - управлять бистабильными реле, которые прекрасно ведут себя на входе корректора, не добавляя лишнего шума, так как после переключения находятся в обесточеном состоянии до следующего переключения.
Жду корпуса, которые уже в пути ![]()
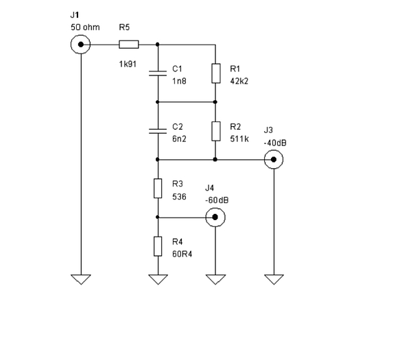
Попробовал старую задумку RIAA кривой
По итогу точность получилась просто сумасшедшая
Красная линия - звуковая карта сама на себя
Оранжевая и зеленая - точность riaa левого и правого каналов
По итогу между каналами 0.1 дб и сама точность 0.2 дб
Евгений! А что используется для формирования “анти RIAA” при замерах?
Сегодня свои девайсы удалось покопать
![]()
Установил дроссель lundahl
И сменил фильтрацию с CLC на LC
Ну что сказать - самое время переслушать всю музыку заново, не больше не меньше
Хорошие выдались выходные, продуктивные
Часть корректоров уехала, а часть - в ожидании партии ламп
Но главное - почти все корректоры - для участников форума, чему я очень рад.
P.S. Самый нижний серебристый - пред, на сл. выходных предложу его потурить, вроде летние отпуска у всех закончились уже
Немного инструментальных девайсов.
Собрал еще один бас гитарный овердрайв fat guy, в этот раз ручку mix решил сделать белой - вполне симпатично выглядит, как на мой взгляд ![]()
Пока жду детали для еще одного корректора начал другой проект - интегральный усилитель. Звуковая часть будет собрана не на печатной плате - детали будут соединены вывод к выводу, ножка к ножке.
Похоже на кратеры и каналы на “красной планете” ![]()
Зная качество изготовления и характер звучания бренда наверняка получится хороший усилитель ![]()





















