Всем спасибо. Возьму попробую. Очень приятно было пообщаться. (Без тролинга и т.д)))Обычно новичку достаётся от мастодонтов звука,за неправильные и глупые ,на их взгляд вопросы.
Нужно задавать правильные вопросы
Вот если бы Вы задали его так - “ааа … памагите найти пред для лампы 6С33С”, то врятли бы чем кто помог
. А Ваш вопрос был четким, ясным и конкретным. Пойдете на повышение, я в очереди… хороший донор.
Здравствуйте, всем. Задам вопрос здесь, чтобы не заводить отдельную тему.
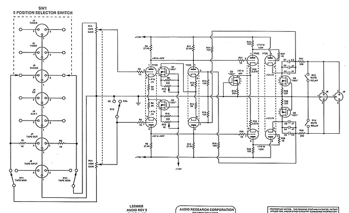
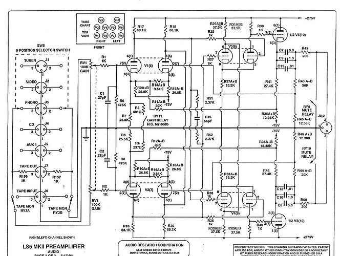
Объясните, кто знает, чем таким третья версия arc ls-5 отличается от первых двух? Почему все гоняются за LS-5mkI или LS-5mkII, понаписано куча инфы именно про mkII, а чем так mkIII не угодил?
Еще больше гоняются за SP последними 10 и 11 кажется
Знаю историю AR, можно сказать, что чем новее, тем меньше это AR. MKIII уже гибрид в усилении, MKII полностью лампа, а у топовых SP так еще и БП лампа была.
для MKII набор хороших ламп стоит просто ППЦ
сам когда то покупал для него подобранный !!! десяток амперексов 60-х с логотипом “лампа с трубой”, ща такой комплект состояние стоит 
Т.е. из-за гибридного усиления сильно отличается звук и он хуже?
т.е. это несколько не ламповый уже, у хуже или лучше только ушами индивидуально определяется, у всех хотелки разные.
Кстати есть подозрение, что транзюки они туда впороли для лучшего согласования с VT100MKIII, потому как у него тоже на входе появились транзисторы. Многие за звук VT100MKIII стали называть ламповым транзистором, а по мне так четче стал звук, мне зашло, кому то нет. А вот транзисторы в ламповый пред это уже как то перебор, или лампа или транзистор, одно из двух, но сам LS5MKIII не слышал, поэтому ничего сказать за него не могу.
Понятно, что “ушами индивидуально определяется”, вот только где его послушать-то? Я бы связку ls-5 + vt100 с удовольствием у кого-нибудь бы послушал. А то я у audio research слышал пока только новые ls-28 + vt80
На транзисторах там организованы только источники тока (для диффкаскадов и выходных повторителей). Само усиление - чисто ламповое.
Имеется в наличии Audio Research D75 (можно послушать)
Да без разницы, кому то и отсутствие ламп в БП уже не ламповый
Тем не менее преды AR ценятся до MKII включительно, многие после выхода серии REF, продавали LS5 и бежали покупать REF, потом рвали волосы и опять бежали покупать LS5 
Да, что-то такое на иностранных форрумах я встречал. Но там тоже нет единого мнения. Одни говорят, что возвращались на LS-5 или 22, а другие что REF3 лучше и ни за что не вернутся 
Бояре, кто-то имел дело с токовыми (100-150Вт на канал) ламповыми усилителями audio research? vs110/115 к примеру, быть может даже кто-то сравнивал их с какими либо вариантами других брендов? 
Слышал его. Детальный, нейтральный, без характерного для старинной ламповой техники лампового “окраса”.
45 на канал, это не токовый, у ресёрча
Подскажите пожалуйста кто знает где качественно и быстро занимается ремонтом и обслуживанием аудио компанентов в Москве и подмосковье? Может ветка какая есть? Спасибо.

